| 品牌ABB | 有效期至长期有效 | 最后更新2024-12-09 22:42 |
| 浏览次数166 |
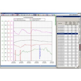
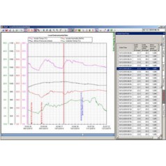
ABB DataManager Pro软件
ABB DataManager Pro软件是 个高 过程数据管理和分析应用程序,用于存储和查看ScreenMaster录像机记录的数据。
可以以表格和图形格式显示存储的数据,并使用所提供的大量工具进行分析。 ScreenMaster的存档数据可以传输
通过ScreenMaster的存储卡手动或通过以太网通讯自动连接到DataManager Pro。 DataManager Pro提供了自动,安全,长期的过程
数据存储,并在需要时可以快速检索数据。
p>
ABB提供完整的图表记录仪,数字指针,过程记录仪和过程控制产品线。ABB的所有记录仪和控制器都具有相同的可靠性和适用性高标准,并且能够承受 恶劣的情况 的过程环境。ABB记录仪包括专门设计的控制解决方案,适用于食品,化学和热处理等行业。ABB致力于为客户提供使用仪器仪表,自动化和工业流程优化的产品和解决方案。客户的主要 利益包括提高资产节约和节省能源。
客服热线:

企业资料通过认证 
