RY-G/W型光照度传感器是本公司自助研发、生产的测量光照强度的*款仪器。它采用*进的电路模块技术开发变送器,铝制外壳,用于实现对环境光照度的测量,输出信号有电流信号、RS485等,本产品接线方便,防水性能好。
产品特点:
·外壳由铝合金压铸成型
·IP65防尘防水设计适合室外应用
·精度高,量程宽,线性度好,稳定性高
·体积小,安装方便,限流功能
·线性度好,传输距离长,抗干扰能力强
技术参数:
可选量程 0-2000Lux、0-20KLux、0-200KLux
波长范围 400~700(nm)可见光
测理精度 ±3%或1%F.S
工作原理 光电原理
供电电压 DC12V/DC24V
输出信号 RY-G/W/S RY-G/W/485
4-20mA RS485 Modbus规约(0-200Klux)
响应时间 1秒
工作电流 DC12V <35ma(电压;电流);
DC12V <20ma(485)
功耗 DC12V <0.42W(电压;电流);
DC12V <0.24W (485)
工作环境 温度-30~60℃
标配线长 3米
防护等* IP65
重 量 220g
接线定义:
电压、电流输出传感器出厂标配*条3米五芯电缆,用户可根据需要定制适当长度的电缆,电缆规格为0.2mm²五芯屏蔽电缆,接线颜色定义为:
电流输出颜色定义
红色 电源正*
黑色 电源负*
黄色 电流信号输出
485输出传感器出厂标配*条3米五芯电缆,用户可根据需要定制适当长度的电缆,电缆规格为0.2mm²五芯屏蔽电缆,接线颜色定义为:
485输出颜色定义
红色 电源正*
黑色 电源负*
绿色 A
蓝色 B
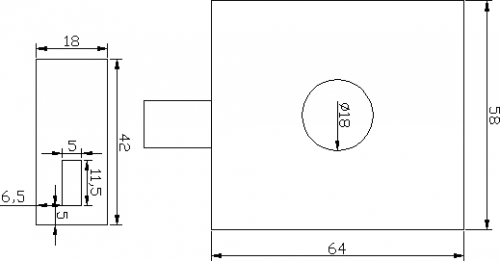
安装示意图:

通讯协议
波特率:9600
数据位:8
停止位:1
校验位:None
流控制:None
写站号:
设备地址 功能码 起始寄存器地址 寄存器个数 数据长度 数据(新站号) CRC校验
00 10 0001 0001 02 00xx CRCloCRChi(XX=0x01-0xFF)
写寄存器回应
设备地址 功能码 起始寄存器地址 寄存器个数 CRC校验
00 10 0001 0001 CRCloCRChi
示例
命令00 10 00 01 00 01 02 00 33 EA 04
回复00 10 00 01 00 01 51 D8
读站号:(固定命令)
设备地址 功能码 起始寄存器地址 寄存器个数 CRC校验
00 03 0001 0001 CRCloCRChi
站号回复
设备地址 功能码 数据长度 数据 CRC校验
00 03 02 00xx CRCloCRChi(XX=01-ff)
示例
读站号
命令00 03 00 01 00 01 D4 1B
回复00 03 02 00 FF C5 C4
读数据(0-2K或0-20K)
设备地址 功能码 起始寄存器地址 寄存器个数 CRC校验
xx 03 0000 0001 CRCloCRChi
数据回复
设备地址 功能码 数据长度 数据 CRC校验
xx 03 02 00yy CRCloCRChi
示例
命令FF 03 00 00 00 01 91 D4
回复FF 03 02 00 14 91 9F
例如 回复为 FF 03 02 05 DC 93 59
*4,5个字节分别为 05 DC 则
光照 = 5*256 + D*16+C = 5*256+13*16 +12 = 1500Lux
读数据(0-100K)
设备地址 功能码 起始寄存器地址 寄存器个数 CRC校验
xx 03 0000 0001 CRCloCRChi
数据回复
设备地址 功能码 数据长度 数据 CRC校验
xx 03 02 00yy CRCloCRChi
示例
命令FF 03 00 00 00 01 91 D4
回复FF 03 02 00 14 91 9F
例如 回复为 FF 03 02 05 DC 93 59
*4,5个字节分别为 05 DC 则
光照 = 5*256 + D*16+C = 5*256+13*16 +12 = 1500
实际光照 =1500/100=15 KLux
实际光照 =1500/100=15 KLux(0-100Klux)
实际光照=1500Lux(0-2000Lux;0-20000Lux)
质保及售后:
保修承诺:产品自交付期起质保期为12个月(因未按照相应的技术要求操作或其他的人为行为导致产品发生问题除外)。
售后承诺:用户可以通过电话咨询有关技术问题,并得到明确的解决方案。若属于产品本身质量问题可返厂维修或更换。

