返回主站
|
会员中心
|
|
保存桌面
4
6
中国YKHMI专营店
YKHMI一体机、YKHMI触摸屏、YKHMI变频器
网站首页
公司介绍
供应产品
新闻中心
联系方式
品牌展示
友情链接
经营品牌
企业档案
上海佳武自动化科技有限公司
胡经理
女士
经营范围:
YKHMI一体机、YKHMI触摸屏、YKHMI变频器
主营行业:
电子网
/
电子元件
/
变频器
所在地区:
上海
新闻中心
暂无新闻
产品分类
全部分类
YKHMI 专用机
YKHMI 触摸屏
YKHMI 驱动器
YKHMI 步进驱动
YKHMI 继电器板
联系方式
联系人:胡经理
电话:021-80392064-803
Q Q: 3297085887
邮件:2039609103@qq.com
手机:13262257160
站内搜索
供应产品
新闻中心
品牌展示
友情链接
暂无链接
首页
>
供应产品
>
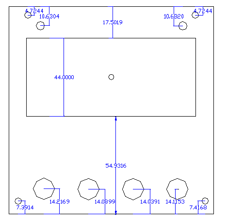
YKHMI 专用机Digital-TTL 数码管 系列
YKHMI 专用机Digital-TTL 数码管 系列
点击图片查看原图
产品:
浏览次数:119
YKHMI 专用机Digital-TTL 数码管 系列
品牌:
YKHMI
单价:
面议
最小起订量:
供货总量:
发货期限:
自买家付款之日起
3
天内发货
有效期至:
长期有效
最后更新:
2025-11-22 18:48
详细信息
询价单
服务热线:021-80392064-803 联系人:胡经理 (女士)13262257160 联系地址:上海市奉贤区金齐路868号5078室
上海佳武自动化科技有限公司
技术和报价服务: 星期一至星期五 8:30-18:00 技术支持:
工厂网
访问量:4092
特别声明:本网站所涉及的品牌LOGO、产品图片及相关文字表述属品牌商家所有