|
产品功能介绍 |
|
|||||
|
1.坚固经久耐用的工业用,重负荷、船用警示产品 |
||||||
|
2.采用引进技术内反光镜反射原理使光照更扩散,发光更均匀的自主设计,高亮度LED长亮/闪亮警示灯,信号灯 |
||||||
|
3.压铸铝合金底座.防水耐腐,坚固经久耐用的工业用,重负荷.船用警示产品 |
||||||
|
4.产品内部电路板配装有发光模式选择,使用者可以根据现场需求选择长亮,闪亮,详细的选择方式见下表 |
||||||
|
5.可根据用户需求加装不锈钢金属保护网,加装接线盒 |
||||||
|
6.适合用于各种天车,行车,起重机、输送设备,港口码头,船舶机械、钢铁产业现场、石油化工行业,室外成套设备,生产线等工业警示 |
||||||
|
7.灯罩颜色 :红色-R 黄-Y 绿-G 蓝-B |
黄色 |
绿色 |
单灯三色 |
|||
|
8.闪亮次数 : 60~80/mim |
|
|
|
|||
|
9.音量: (内装蜂鸣器时) 90dB -Y32(32种报警音-110dB)/0.5M |
||||||
|
10.底座标准颜色:MUNSELL NO.7.5BG7/2 |
||||||
|
11.材质 : 灯罩-PC, 身体-压铸铝DIECAST Al, 不锈钢网罩-SUS316L, 反光镜-耐热性ABS |
||||||
|
12..遥控,光控,声控,红外线,远程网络控制,可充电带蓄电池,等特殊要求可按用户要求定制 |
带不锈钢罩 |
|||||
|
13.保护等 : IP56. |
|
|||||
|
14.此款产品可按客户需求加装保护网,标准型产品不包含保护网 |
||||||
|
15.图片的产品安装金属船用防水接头.船舶专用填料函产品需定做 |
||||||
|
产品规格 |
||||||
|
型号 |
内装音 |
电压 |
电流 |
重量 |
闪亮次数/flashe |
颜色 |
|
TLH1TL |
断续蜂鸣/80-90DB |
DC12V |
0.670A |
1.39Kg |
60-80Per/Min |
红-R |
|
TLH1TLF |
连续蜂鸣/80-90DB |
DC24V |
0.670A |
黄-Y |
||
|
TLH1TLR |
Y32-(32种报警声110DB) |
AC110V |
0.156A |
1.87Kg |
绿-G |
|
|
TLH1TLS |
AC220V |
0.087A |
|
|||
|
TLH1TS |
AC380V |
0.052A |
|
|||
|
超高亮LED(HL型)产品,船舶用青铜外壳产品(Brass)和特殊电压产品(48V, 440V 等)可以定做,不锈钢网罩(0.25kg) |
||||||
|
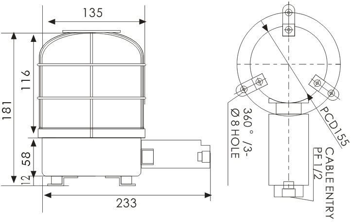
* 外形安装图 |
* 接线方法 |
|||||
|
|
电源线 引入口(CABLE ENTRY) |
|||||
|
1.使用防水接头或者船舶用填料函 |
||||||
|
2.电源线 接入口:标准规格 : PF 1/2 |
||||||
|
3.引入口 PF 3/4 尺寸可以定做 |
||||||
|
接线方法 |
||||||
|
1.AC交流电源产品:不用分正负 ,直接连接电源. |
||||||
|
2.DC直流电源产品:黑色线端子连接在负 (-)。 |
||||||
|
3.为了更安全的连接,电源线的端部使用冷压接线端子“O"型"U"型 |
||||||
|
定做产品(-LC型)引出电源线和信号线。 |
||||||
|
1.引出电源线规格: UL1015-NO18(0.75sq) x 2c 400mm |
||||||
|
2.引出信号线规格: UL1007-NO.22(0.3sq) 400mm |
||||||
|
* 使用时注意事项 |
||||||
|
1.本产品是室外用防水、防尘结构的产品,连接电源线或操作其他开关等作业时,进行拆卸、装配的时候必须把各部位的固定螺栓拧紧,保证产品防水、防尘性能。 |
||||||
|
2.电源线连接入口必须使用IP56防水用接头或防爆型接头,保证产品的封闭性能。 没有封闭电源线入口的状态放在室外时,会因水分或灰尘等异物的侵入而损伤产品。 |
||||||
|
3.使用的电压比额定电压上升或下降的幅度过大的时候会缩短产品的寿命或导致产品动作不良等问题。请保证使用电压在额定电压的±5% 以内的范围。 |
||||||
|
4.灯罩或者身体的表面,接触带腐蚀性的化学物质的时候会损伤产品导致产品变形或退色等问题,用户要特别注意。 |
||||||
|
5.不要给产品强的冲击,这会成为部件的损坏或断路的原因 |
||||||
|
6.不要把外露在产品上的电线强制的拉长。 这是引起产品故障的原因之 。 |
||||||
|
* 型号选择 |
|
|||||
|
TLH1TL - |
Y32- |
220 - |
R |
- P |
技术资料下载(download) |
|
|
型号 |
音色 |
电压 |
颜色 |
保护罩 |
下载(download) |
|
|
TLH1TL(LED常亮) |
无表示-不发声 |
12-DC12V |
红-R |
无指定(None)不带防护网罩 |
|
|
|
TLH1TLF(LED闪亮) |
BZ1(连续音80-90dB) |
24-DC24V |
黄-Y |
|
|
|
|
TLH1TLR(LED转亮) |
BZ2(断续音80-90dB) |
110-AC110V |
绿-G |
P指定(Order)带防护网罩 |
报警声音试听 |
BZ1连续 |
|
TLH1TLS(LED频闪) |
220-AC220V |
|
|
BZ2断续 |
||
|
TLH1TS(氙气灯) |
Y32(32种报警声-110DB) |
380-AC380V |
|
|
|
|
|
* 信号灯的长亮/闪亮选择 |
|||||||
|
为了方便用户的使用,安装板上有长亮/闪亮选择开关。希望仔细阅读使用说明书和参考产品结构图按照正确的方法操作。 |
|||||||
|
1.灯罩(保护网)的分离:把固定灯罩固定环(保护网)的螺栓(M4螺栓 4EA)拧开,分离灯罩固定环(保护网)和灯罩,确认LED线路板上的长亮/闪亮选择开关。(如下图) |
|||||||
|
2.长亮/闪亮动作选择开关: |
|
||||||
|
a). 用长亮/闪亮选择开关,选择需要的动作 |
|||||||
|
b). 开关在L的位置的时候常亮。在LF的位置的时候闪亮。 |
|||||||









