|
产品功能介绍 |
||||||||
|
1.大型起重机械等行走设备的专用声光报警. |
||||||||
|
2.采用引进技术自主设计,将LED长亮/闪亮警示灯,信号灯与扬声器相结合声光组合产品 |
||||||||
|
3.冷轧钢板、喷涂外壳/坚固耐用 |
||||||||
|
4.产品内部配装有音调选择开关及音量调节器,使用者可以根据需求相应的调节音调和音量大小,详细的选择方式见下表 |
||||||||
|
5.铸铝灯座的可根据用户需求加装不锈钢金属保护网 |
||||||||
|
6.适合用于各种天车,行车,叉车,吊车,起重机、输送设备,港口码头,船舶机械、钢铁产业现场、石油化工行业,室外成套设备等 |
||||||||
|
7.灯罩颜色 :红色-R 黄-Y 绿-G 蓝-B 白-W |
||||||||
|
8.闪亮次数 : 60~80/mim |
||||||||
|
9.音量 : Max.120DB |
||||||||
|
10.材质 : 灯罩-PC, 身体-钢板, 喇叭外壳:(方喇叭的PC塑料,圆喇叭的-SUS316L), 反光镜-耐热性ABS |
|
|
|
|||||
|
11.保护等 : IP54 |
||||||||
|
12.此款产品可按客户需求加装保护网,标准型产品不包含保护网 |
||||||||
|
13.图片的产品安装防水接头,安装船舶用填料函的产品可以定做 |
||||||||
|
14.遥控,光控,红外线控制,停电声光报警,带蓄电池声光报警,语音提示等特殊要求可按用户要求定制 |
||||||||
|
产品规格 |
||||||||
|
型号 |
内装音 |
电压 |
电流 |
重量 |
音量 |
颜色 |
||
|
|
W12-12种警告音 |
DC12V |
1.16A |
2.7Kg |
120DB |
红-R |
||
|
DC24V |
0.97A |
120DB |
黄-A |
|||||
|
CSR117AL-M |
|
W20-20种音乐音 |
AC36V |
0.139A |
3.2Kg |
116DB |
绿-G |
|
|
|
AC110V |
0.096A |
116DB |
蓝-B |
||||
|
|
WV10-10段语音提示型 |
AC220V |
0.078A |
118dB |
白-W |
|||
|
|
AC380V |
0.051A |
118dB |
|
||||
|
超高亮LED(HL型)产品,和特殊电压产品(AC48V, AC440V DC110V DC220V等)可以定做 |
||||||||
|
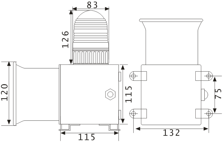
* 外形安装图 |
* 接线方法 |
|||||||
|
|
电源线 引入口(CABLE ENTRY) |
|||||||
|
1.使用防水接头或者船舶用填料函 |
||||||||
|
2.电源线 接入口:标准规格 : PG13.5防水锁头 |
||||||||
|
3.引入口 PF 3/4 尺寸可以定做 |
||||||||
|
接线方法 |
||||||||
|
1.AC交流电源产品:不用分正负 ,直接连接电源. |
||||||||
|
2.DC直流电源产品:黑色线端子连接在负 (-)。 |
||||||||
|
3.为了更安全的连接,电源线的端部使用冷压接线端子“O"型"U"型 |
||||||||
|
定做产品(-LC型)引出电源线和信号线。 |
||||||||
|
1.引出电源线规格: UL1015-NO18(0.75sq) x 2c 400mm |
||||||||
|
2.引出信号线规格: UL1007-NO.22(0.3sq) 400mm |
||||||||
|
* 信号音的选择和接线方法 |
音色种类的选择方法 |
|||||||
|
标准形式:-利用内部开关 |
选购形式(K):-利用面板选择开关 |
选购形式(LC):-利用外部接点控制 |
||||||
|
|
|
|
||||||
|
* 型号选择 |
||||||||
|
CSR117AL |
- M - |
W12 - |
220 - |
R - |
K |
|||
|
型号 |
喇叭功率 |
音色 |
电压 |
灯罩颜色 |
声音控制方式 |
|||
|
CS117AL-D |
D-116DB |
W12-12种警告音 |
12-DC12V |
红-R |
无-标准型 |
|||
|
24-DC24V |
黄-A |
LC-外引线控制 |
||||||
|
W20-20种音乐音 |
36-AC36V |
绿-G |
K-面板开关控制 |
|||||
|
CSR117AL-M |
M-120DB |
110-AC110V |
蓝-B |
V-外音量调节 |
||||
|
WV10-10段语音提示型 |
220-AC220V |
白-W |
KV-开关+音量调节 |
|||||
|
380-AC380V |
|
|||||||
|
|
||||||||
|
* 常用的语音提示内容.(语音定制型 多可以选择10种声音) |
||||||||
|
1,皮带机已起动,请注意安全 |
6.叉车作业中,请注意安全 |
11.洗罐作业,,禁止通行 |
||||||
|
2.天车启动,注意安全 |
7.机器已起动,请注意 |
12.熄焦车已起动,请注意安全 |
||||||
|
3.设备已起动,请注意安全 |
8.小心火车,注意安全 |
13.行车已启动,请注意安全 |
||||||
|
4.危险作业区,请立即离开 |
9.车辆进出,请注意安全 |
|
||||||
|
5.此处危险,请注意安全 |
10.起重货物,注意安全 |
|||||||
CSR117AL-M 体化报警器 输送带声光报警器








