*、产品简介及用途:
进口弹性体原件,高精度应变计及*进的工艺,具有灵敏度高、性能稳定、良好的抗冲击能力。接头采用17-4不锈钢 外管采用304不锈钢,结构小巧、紧凑,有良好的防潮能力和优异的介质兼容性。
测量介质:弱腐蚀性的液体;弱腐蚀性的气体。
广泛用于工业设备、水利、化工、医疗、电力、空调、金刚石压机、冶金、车辆制动、楼宇供水等压力测量与控制。
此类传感器通常也称为:油压传感器,油压变送器,液压传感器,液压变送器,风压传感器,风压变送器,气压传感器,气压变送器,应变式压力传感器,应变式压力变送器,压阻式压力传感器,压阻式压力变送器,正负压力传感器,正负压力变送器,管道压力传感器,管道压力变送器等。
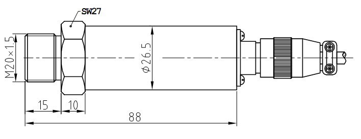
二、产品结构与外形尺寸:

三、产品规格选型
主要技术参数
| 量程 | 0~100Mpa |
| 综合精度 | 0.25%F·S、0.5%F·S |
| 输出信号 | 4~20mA(二线制)、0~5V、1~5V,0~10V(三线制) |
| 供电电压 | 24DCV(9~36DCV) |
| 介质温度 | -20~85~105℃ |
| 环境温度 | (常温)-20~85℃ |
| 负载电阻 | 电流输出型:*大800Ω; 电压输出型:大于50KΩ |
| *缘电阻 | ≥2000MΩ(100VDC) |
| 响应时间 | <1ms |
| 密封等* | IP65 |
| 长期稳定性能 | 0.1%F·S/年 |
| 振动影响 | 在机械振动频率20Hz~1000Hz内,输出变化小于0.1%F·S |
| 电气接口 | 四芯航空接插件 |
| 螺纹连接 | M20×1.5、M14×1.5等,其他螺纹可依据客户要求设计 |
| 外形尺寸 | M20×Φ26×85 |

