*、产品简介及用途:
卫生型压力传感器弹性体采用进口材质、膜片隔离工艺、测试头无引压孔,测量过程中不存在粘稠介质堵塞。
此类传感器通常也称为:平膜压力传感器、膜片型压力变送器、食品压力传感器、食品压力变送器、隔膜压力传感器、隔膜压力变送器、卫生型压力传感器、卫生型压力变送器。
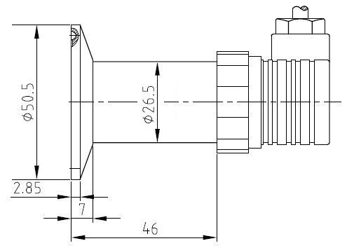
二、产品结构与外形尺寸:

三、产品规格选型
主要技术参数
| 量程 | -0.1~0~6Mpa |
| 综合精度 | 0.25%F·S、0.5%F·S |
| 输出信号 | 4~20mA(二线制)、0~5V、1~5V,0~10V(三线制) |
| 供电电压 | 24DCV(9~36DCV) |
| 介质温度 | -20~85℃ |
| 环境温度 | -20~85℃ |
| 负载电阻 | 电流输出型:*大800Ω; 电压输出型:大于50KΩ |
| *缘电阻 | ≥2000MΩ(100VDC) |
| 防护等* | IP65 |
| 长期稳定性能 | 0.1%F·S/年 |
| 振动影响 | 在机械振动频率20Hz~1000Hz内,输出变化小于0.1%F·S |
| 电气接口 | 赫斯曼接插件 |
| 机械连接 | 2"卡箍式连接 |

