*、产品简介及用途:
德国原装薄膜芯体,高温性能好,精度高,长期稳定性好
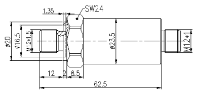
二、产品结构与外形尺寸:

三、产品规格选型
主要技术参数
| 量程 | 0~5,10,20,40,60MPa |
| 供电电源 | 9~30VDC |
| 输出 | 4~20mA,0~5/1~5V,0~10V |
| 精度 | 0.25%F·S,0.5%F·S |
| 零点温漂 | ≤±0.05%F·S/℃ |
| 灵敏度温漂 | ≤±0.05F·S/10℃ |
| 负载电阻 | 电流输出型:*大800Ω; 电压输出型:大于50KΩ |
| *缘电阻 | ≥2000MΩ(100VDC) |
| 工作温度 | -40~85℃/125℃ |
| 过载能力 | 150%F·S |
| 防护等* | IP67 |
| 长期稳定性能 | 0.1%F·S/年 |
| 响应时间 | <1ms |
| 振动影响 | 在机械振动频率20Hz~1000Hz内,输出变化小于0.1%F·S |
| 接液材料 | 17-4PH |
| 安装螺纹 | M12*1.5 |

