*、产品简介及用途:
PTL111B直杆型高温熔体压力变送器,其中PTL111B-T加装了测温热电偶,可实现压力温度同点测量。压力测量准确可靠,放大信号直接进PLC控制系统,内部80%校准信号,安装简单,性价比高。广泛应用于化纤,塑料挤出行业高温压力的监测。
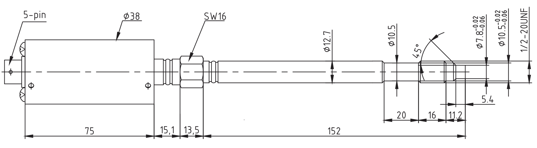
二、产品结构与外形尺寸:

PTL111B

PTL111B-T
三、产品规格选型
主要技术参数
| 量程 | 0~5~200MPa(0~500psi...0~20000psi) |
| 过载压力 | 150%FS |
| 综合精度 | ±1.0%FS(包括线性、重复性和滞后性) |
| 输出信号 | 4-20mA,0-5V,0-10V |
| 输入电压 | 24VDC |
| 输出阻抗 | 350 Ohms±10% |
| 内部自校准 | 80%FS±1% |
| *缘阻抗 | 200MΩ @ 100VDC |
| 膜片耐温 | *大400℃ |
| 安装扭矩 | *大500inch/lbs |
| 膜片材料 | 17-4PH 带涂层的不锈钢 |
| 温度型号 | J,K,E,PT100(PTL111B-T) |
| 电气连接 | 五芯航空插件,六芯航空插件 |
| 过程连接 | 1/2"-20UNF,M14x1.5,M18x1.5,M22x1.5,G3/4 |

