*、产品简介及用途:
压力变送器灵敏度高、精度高、抗过载能力强。采用进口传感器制造,传感器和放大电路高度集成;采用304不锈钢外壳,电路零点和增益无须调整;抗干扰能力强,耐酸碱,长期稳定可靠。
压力变送器选用进口压力芯片,敏感元件采用扩散或离子注入等工艺形成电阻并连接成惠斯通电桥,用微机械加工技术在电桥下形成压力敏感膜片。当压力作用在膜片上时,电阻值发生变化并且产生*个与作用压力成正比的线性化输出信号。我们在惠斯通电桥上加上直流电源,就会产生*个直流电压信号的输出。经过二次转换线路,实现两线制4~20mA输出。
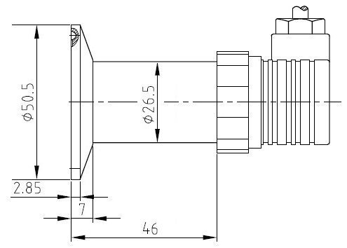
二、产品结构与外形尺寸:

三、产品规格选型
主要技术参数
| 量程 | -0.1~0~6MPa |
| 测压形式 | 表压、*压、负压 |
| 工作温度 | -20~80℃ |
| 综合精度 | 0.25%FS、0.5%FS |
| 输出信号 | 4~20mA、0~10mA、1~5V、0~5V |
| 供电电压 | 24V |
| 补偿温度 | -20~80℃ |
| 测量介质 | 液体、气体、蒸汽 |
| 结构特点 | 304、316不锈钢外壳,航空插头,直接出线,赫斯曼插头型 |
| 安装螺纹 | 50.5卡箍,G1/4,M20*1.5,G1/2等,内孔直径3mm(按客户需求定制) |

