*、产品简介及用途:
PTL516S液晶数显压力变送器采用了*新的低功耗微处理器技术和高*电源管理技术,显示稳定,显示亮度高,其内置微处理器,通过两按键编程,实现零点、满量程、小数点、显示速率、控制点的可调设定,无需任何电位器调整。无需外部供电,仅需串联在被测回路中,就能将被测回路中的 4~20mA 信号精确地显示出来。采用进口专用集成电路,使用 SMT 工艺制造,电路组装密度高,仪表外型尺寸小。其突出优点在于其压降相比市场上同类产品低的多。高亮 0.36 寸 LCD 显示,7 种单位可选,数据显示稳定不跳字。超低工作电压 20mA 时小于 3.0VDC。4mA 时小于 2.5VDC 整机超低功耗,全智能工作方式。支持用户自校准,支持对显示值的非线性修正。*低的温漂,适和-30~70 度工业环境使用。
广泛应用于工业设备、水利、化工、医疗、电力、空调、金刚石压机、冶金、车辆制动、楼宇供水导尿管压力测量与控制。
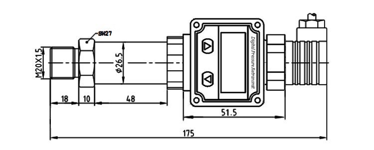
二、产品结构与外形尺寸:

三、产品规格选型
主要技术参数
| 量程 | 0~60MPa |
| 综合精度 | 0.25%F·S、0.5%F·S |
| 输出信号 | 4~20mA、0~5V、1~5V,0~10V |
| 显示方式 | 0.36寸LCD(白色) |
| 显示范围 | -1999~9999 |
| 温漂 | <30ppm |
| 压降 | 4mA 时<2.5VDC;20mA 时<2.9VDC |
| *性保护 | 表头内部具有反*性保护,电流输入反接时仪表不亮,仪表不会损坏 |
| 工作温度 | -30~70℃ |
| 通过电流 | 额定4~20m A,*大<60mA |
| 采样速率 | *快 10 次/S,*慢 1.8 次/S,速率可调 |
| 电气接口 | 赫斯曼接头 |
| 螺纹连接 | M20×1.5,其他螺纹可根据客户要求定制 |

