、产品简介及用途:
LCZ-303A波纹管式称重传感器采用剪切或弯曲结构, 端固定, 端受力,使用台面低,精度高,性能稳定,金属波纹管焊接密封,内部充入惰性气体。抗过载、抗疲劳、抗偏载能力强。可广泛应用于罐秤、电子皮带秤、料斗秤、平台秤等专用衡器、各种材料试验机及其他测力装置中。
技术特点:
传感器采用剪切或弯曲结构
金属波纹管焊接密封
抗过载、抗偏载能力强
适用于电子皮带秤、料斗秤、平台秤等
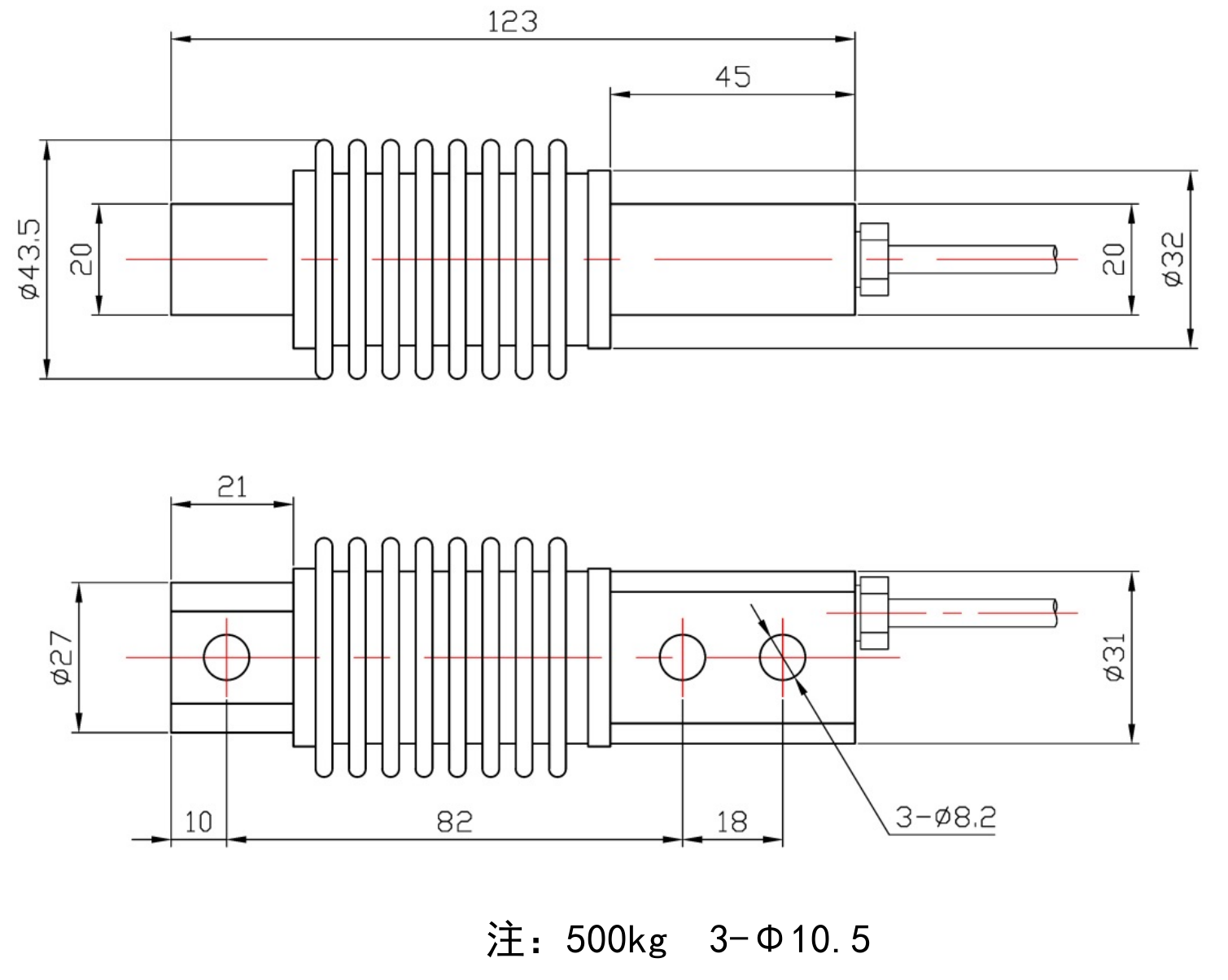
二、产品结构与外形尺寸:

传感器接线示意图: 传感器受力图:


三、产品规格选型
技术指标
| 参 数 | 技术参数 | 参 数 | 技术参数 |
| 量程 | 50kg~500kg | 输出电阻 | 350±5Ω |
| 输出灵敏度 | 2.0±0.05mV/V | 工作温度范围 | -20~+70℃ |
| 非线性 | ±0.03%F.S. | 安全过载 | 150%F·S |
| 滞后误差 | ±0.03%F.S. | 缘电阻 | ≥2000MΩ |
| 重复性误差 | ±0.03%F.S. | 激励电压 | 5V~12V |
| 蠕变 | ±0.03%F.S. | 防护等 | IP66 |
| 零点温度系数 | ±0.03%F.S./10℃ | 材质 | 不锈钢 |
| 灵敏度温度系数 | ±0.03%F.S./10℃ | 线缆 | Φ5x3m |
| 输入电阻 | 380±30Ω |

