、产品简介及用途:
LCZ-202K柱式传感器结构紧凑,综合精度高,长期稳定性好,动态响应频率高,优质不锈钢材料。广泛应用于汽车压装、自动化组装、3C产品测试、新能源产品组装、医疗检测、机器人领域,模具组装及其他工业测试、自动化设备领域和测试领域。
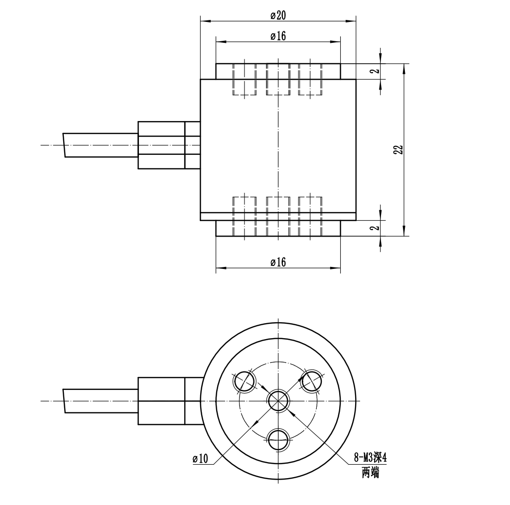
二、产品结构与外形尺寸:

传感器接线示意图: 传感器受力图:


三、产品规格选型
技术指标
| 参 数 | 技术参数 | 参 数 | 技术参数 |
| 量程 | 0~200KG | 材质 | 不锈钢 |
| 输出灵敏度 | 2.0±10%mV/V | 阻抗 | 350/700Ω |
| 零点输出 | ±2%F.S. | 缘电阻 | ≥5000MΩ/100VDC |
| 非线性 | 0.1%F.S. | 使用电压 | 10~15V |
| 滞后 | 0.1%F.S. | 工作温度范围 | -20~80℃ |
| 重复性 | 0.1%F.S. | 安全过载 | 120%F·S |
| 蠕变(30分钟) | 0.1%F.S. | 限过载 | 150% |
| 温度灵敏度漂移 | 0.1%F.S./10℃ | 电缆线规格 | Φ3x2m |
| 零点温度漂移 | 0.1%F.S./10℃ | 线缆 限拉力 | 10kg |
| 响应频率 | 10kHz |

