、产品简介及用途:
PTL901单晶硅压力变送器采用0.075%高精度,稳定性好,用于测量液体、气体或蒸汽的液位、密度、压力,然后将其转变成4-20mAHART电流信号输出,也可与HART375或BST Modem相互通信,通过他们进行参数设定、过程控制。与传统压力变送器的区别在于它使用的是纳米单晶硅作为传感器材料。备有5位带背光LCD数字显示器;多种显示功能(pa,kpa,Mpa,%,psi)内置三按键快捷操作就地调整功能;备有各种抗腐蚀材料;全面自诊断功能。为量程(0~6kpa)量程比:3:1,中量程量程比:4:1, 大量程比:4:1。智能静压补偿和温度补偿,保护变送器不受温度、静压与过压的影响,将现场的综合测量误差控制到 小,可进行高准确度测量正负零点迁移,无需进行线性度调整。
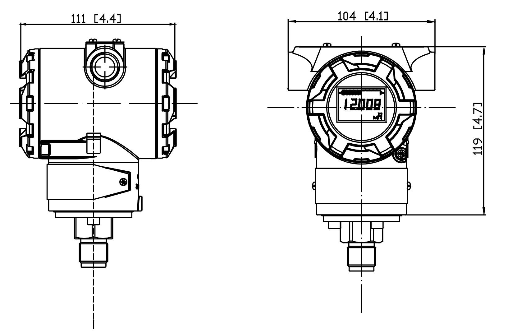
二、产品结构与外形尺寸:
压力传感器尺寸图:

三、产品规格选型
主要技术参数
| 输出信号 | DC4~20mA+HART协议 |
| 容许负载电阻 | 0~600Ω(DC24V时)注:与手持通信器进行通讯时,需要标准(250Ω)的负载电阻 |
| 电源 | 般用途:DC10.5~45V;本安防爆:DC10.5~26V |
| 通信线路条件 | 线路长度: 长2km(0.75~1.25mm²控制仪表用电缆,超过1km时使用双绞电缆) 负载电阻:250~600Ω(DC24V,包含电缆电阻) 负载电容:0.55mF以下 负载电感:3.3mH以下 动力线的间隔:15cm以上(请避免平行配线) |
| 饱和电流 | 上限20.8mA;下限3.8mA |
| 报警电流 | 上限22.8mA;下限3.6mA (模式可设置) |
| 调整功能 | 零点、满量程点可从通过外壳顶部三按键进行带就地调整或者可利用组态软件进行 远程调整 |
| 输出方式 | 线性输出;平方根输出(可通过组态软件进行远程调整) |
| 环境温度 | -40~+85℃(充灌氟油时:-10~+60℃)) |
| 贮存温度 | -40~+90℃ |
| 耐候性 | DIN40040GPC |
| EMC适用标准 | EN1326-1:2006 |
| 平方根输出精度 | 输出:≥50% 精度:同参考精度;输出:50%~下降点 精度:参考精度 ×50/平方根 输出(%) |
| 电源影响 | ±0.005%/1V |
| 安装位置影响 | 与膜片面平行方向的安装位置变化不会造成零漂影响,若安装位置与膜片面超过 90°的变化, 在0.4KPa范围内的零漂可通过调零校准 |
| 响应时间 | 90ms |
| 阻尼 | 时间常数可在0~99.9秒内调整 |
| 滤波常数 | 可在0~160uA内调整 |
| 自稳系数 | 可在0~2%内调整 |


