、产品简介及用途:
差压传感器采用OEM硅压阻式差压充油芯体精制而成。外壳为全不锈钢结构,具有很强的耐腐蚀性,两个压力接口为M20×1.5螺纹连接,可直接安装在测量管道上或通过引压管 连接。应用于航空,航天,汽车,医疗设备等领域的差压、液位、流量测控等。
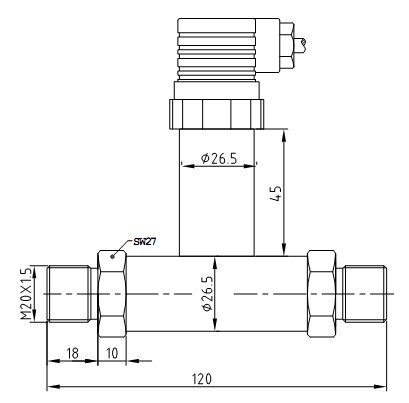
二、产品结构与外形尺寸:

三、产品规格选型
主要技术参数
| 量程 | 0~10kPa~35MPa |
| 耐压 | 三倍量程值 |
| 综合精度 | 0.25%F·S、0.5%F·S |
| 输出信号 | 4~20mA(二线制)、0~5V、1~5V、0~10V(三线制) |
| 供电电压 | 24DCV(9~36DCV) |
| 介质温度 | -20~85℃ |
| 环境温度 | (常温)-20~85℃ |
| 负载电阻 | 电流输出型: 大800Ω;电压输出型:大于50KΩ |
| 缘电阻 | 大于2000MΩ(100VDC) |
| 密封等 | IP65 |
| 长期稳定性能 | 0.1%F·S/年 |
| 振动影响 | 在机械振动频率20Hz~1000Hz内,输出变化小于0.1%F·S |
| 电气接口 | 赫斯曼接头 |
| 机械连接(螺纹接口) | M20×1.5、G1/2" |


