、产品简介及用途:
平面型压力传感器弹性体采用进口材质、膜片隔离工艺、测试头无引压孔,测量过程中不存在粘稠介质堵塞。
此类传感器通常也称为:平膜压力传感器、膜片型压力变送器、化工压力传感器、油漆压力传感器、食品压力传感器、食品压力变送器、隔膜压力传感器、隔膜压力变送器、卫生型压力传感器、卫生型压力变送器。
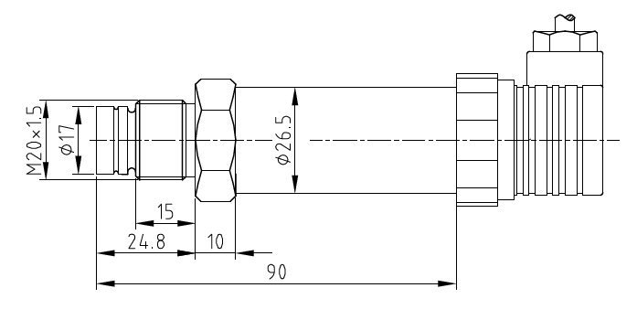
二、产品结构与外形尺寸:

三、产品规格选型
主要技术参数
| 量程 | 0~0.5,1,5,10,20,30,40,50~100Mpa |
| 综合精度 | 0.1%F·S、0.2%F·S、0.5%F·S |
| 输出信号 | 4~20mA(二线制)、0~5V、1~5V、0~10V(三线制) |
| 供电电压 | 24DCV(9~36DCV) |
| 介质温度 | -20~85℃ |
| 环境温度 | -20~85℃ |
| 负载电阻 | 电流输出型: 大800Ω;电压输出型:大于50KΩ |
| 缘电阻 | 大于2000MΩ(100VDC) |
| 密封等 | IP65 |
| 长期稳定性能 | 0.1F·S/年 |
| 振动影响 | 在机械振动频率20Hz~1000Hz内,输出变化小于0.1%F·S |
| 电气接口 | 金属密封端子、四芯航空接插件机械连接:M20*1.5、G1/2-14等, 其他螺纹可依据客户要求设计 |


