、产品简介及用途:
微压压力传感器采用进口微压扩散硅感压芯片,全不锈钢封焊结构,具有良好的防潮能力及优异的介质兼容性。适用于介质压力微弱的场合测量与控制,如油漆、饮料等液体的瓶、罐包装物的检漏。
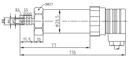
二、产品结构与外形尺寸:

三、产品规格选型
主要技术参数
| 量程 | -100~100kPa/0~200kPa |
| 综合精度 | 0.25%F·S、0.5%F·S |
| 输出信号 | 4~20mA(二线制)、0~5V、1~5V、0~10V(三线制) |
| 供电电压 | 24DCV(9~36DCV) |
| 介质温度 | -20~75℃ |
| 环境温度 | -20~75℃ |
| 负载电阻 | 电流输出型: 大800Ω;电压输出型:大于50KΩ |
| 缘电阻 | 大于2000MΩ(100VDC) |
| 密封等 | IP65 |
| 长期稳定性能 | 0.1%F·S/年 |
| 振动影响 | 在机械振动频率20Hz~1000Hz内,输出变化小于0.1%F·S |
| 电气接口 | 赫斯曼接插件 |
| 螺纹连接 | Φ8快速接头,其他螺纹可依据客户要求设计 |


