您身边的内六角加工
旋转冲削工具,是 种操作简单的异形孔加工刀具,适用 般车床、CNC自动车床、加工中心、钻床等设备,可加工盲孔、通孔、有规则或不规则的多边形,除了加工标准的六角、正方孔,也可定制星形、花键等其它特殊形状,只需更换刀头即可。

内六角、内四方、内花键可以车/钻出来。
以下为加工实例工件图:(六角)


(内齿型)


产品性能及特点:
1.无须制作冲头、电 等工装、减少辅助成本
2.车工 道加工、减少工序与加工时间
3.质量稳定、效率大大提高、通用性强。
4.使用该工具,可根据用户的需要能方便地加工出内四方、内六方等多边形内孔,只需要几秒钟完成。
5.适用于硬度为加工工件硬度HRC30°以下各类材料零件的加工
旋转冲主体型号示意:SV-ROP-08-MTA2 为莫式二号接柄主体(所有模式柄现货供应)
SV-ROP-08-ZB20 为直柄20接柄主体(所有直柄现货供应)
旋转冲刀具主体尺寸图:

旋转冲削刀头(六角)


转速:300-2000r/min 进给量:0.02-0.1mm/r (根据不同材料参数做相应调整)
旋转冲削刀头(四方)


转速:300-2000r/min 进给量:0.02-0.1mm/r (根据不同材料参数做相应调整)

※其他内外多边形及内外花键可接受定制※
使用方法
( )注意事项
1.选择合适的工具,将工具装夹在设备的尾座或主轴上。
2.为保证加工精度,必须使工具同工件轴心中心吻合。
3.本工具工作时间可以是工具旋转,也可以是零件旋转,主轴右转。
4.为提高工具使用寿命,工作时请用冷却液或切削油冷却。
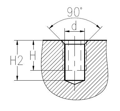
(二)冲削前孔加工尺寸

1.钻孔直径D≥刀刃对边(或内切圆)尺寸。
2.孔口倒角90度,且倒角孔口直径大于刀刃对边。起导向作用。
3.钻孔深度H2≥1.5×冲削有效深度(H)。

(三)推荐工作参数
1.转速:300-2000转分,旋转冲削刀具的原理允许高速使用,但在高速使用时应该注意(如加工中心),工具同工件刚接触时使用较慢转速或静止状态下使冲头慢慢接触工件,直到冲头同工件进入工作状态时增加转速。
2.进给量:0.02-0.1mm/转,铝铜件进给量可适当加大2-3倍。
3.冲削深度:≤1.5×刀刃对边宽。
产品细节图:



