变径套BJT-322062 大直径变小直径 侧固柄变径套




变径套BJT-322062 大直街变小直径 侧固柄变径套

产品品牌:赛万特工具savant
产品名称:变径套
产品型号:BJT-322062
赛万特变径套另有以下产品:
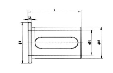
型号 D D1 D2 L L1
BJT-322062 49 20 32 62 5
BJT-322562 49 25 32 62 5
BJT-402065 58 20 40 65 6
BJT-402565 58 25 40 65 6
BJT-403265 58 32 40 65 6
BJT-502572 65 25 50 70 6
BJT-503272 65 32 50 70 6
BJT-504072 65 40 50 70 6
赛万特专业销售数控切削刀具。产品选用合金材料。主要应用于数控车床,加工中心等高精度机床。
另,可根据客户需求,专门设计、制造各类非标型和通用刀具。

