产品概述
本产品主要采用聚合物碳纤维为原材料,具有良好的防腐、防侵蚀等特点,能够保证仪器长期使用不起锈,同时配合内部顺滑的轴承系统,确保了信息采集的准确性。外型小巧轻便,便于携带和组装,三杯设计理念可以有效获得外部环境信息。
功能特点
◆体积小,携带方便、安装简捷
◆测量精度高,量程宽,稳定性好
◆结构设计合理,外观质量佳
◆数据信息线性度好,信号传输距离长,抗外界干扰能力强
适用范围
可广泛应用于温室、环境保护、气象站、船舶、码头、养殖等环境的风速测量。
工作、存储条件
工作温度:-40~85°C 工作湿度:0~100%RH
储存温度:-40~125°C 储存湿度:<80%(无凝结)
固定方式
采用法兰安装方法,螺纹法兰连接使风向传感器下部管件牢牢固定在法兰盘上,底盘Φ65mm,在Φ50mm的圆周上开四个均Φ6mm的安装孔,使用螺栓将其紧紧固定在支架上,使整套仪器保持在水平,确保风向数据的准确性,法兰连接使用方便,能够承受较大的压力。
技术参数
启动风力:0.2-0.4 m/s
测量精度:±(0.3+0.03V)m/s(V表示风速示值)
信号输出:
电压型
量 程:0~32. 4 m/s
供电电压:7V~24 V DC
输出信号:0.4~2V
风速值=(输出电压-0.4)/1.6*32.4
供电电压:12V~24 V DC
输出信号:0~5 V 、1~5 V
风速值=输出电压/5*32.4
风速值=(输出电压-1)/4*32.4
电流型
量 程:0~32. 4 m/s
供电电压:12V~24V DC
输出信号:4~20 mA
负载能力:≤200Ω
风速值=(输出电流-4)/16*32.4
脉冲型(霍尔)
量 程:0~60 m/s
输出信号:脉冲(每个脉冲对应0.88m/s)
信号说明:内加上拉电阻逻辑1=VCC,逻辑0=GND
供电电压:5V~24V DC
485型
量 程:0~32. 4 m/s
供电电压:7V~24V DC
通信协议:Modbus-RTU
设备功耗:<15mA
防护等 :IP66
上电响应时间:2s
探头线长:1.5米
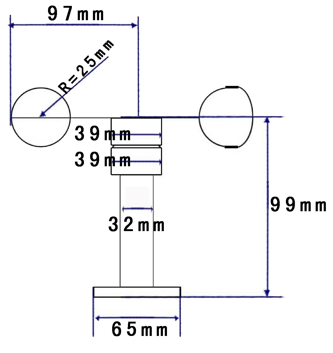
尺寸、重量
外型尺寸:如下图

整机重量:98g

