Pfeiffer 普发涡轮分子泵 HiPace 2300
上海伯东销售维修 Pfeiffer 普发涡轮分子泵 HiPace 2300,抽速可达到 2050 l/s 高性能涡轮分子泵。分子泵通过保护等 IP54认证。高抽速和气体吞吐量。集成驱动电路,工业环境和实验研究的理想选择。通过分子泵控制器,监控操作数据保证分子泵的 大安全性。集成水冷系统。Pfeiffer 普发涡轮分子泵 HiPace 2300 集成控制器 TC 1200 和电动密封阀门 (24 V DC),另有防腐蚀款 C 和倒置款 U 供选择。
Pfeiffer 涡轮分子泵 HiPace 2300 技术参数:
|
型号 |
接口 DN |
抽速 l/s |
压缩比 |
高启动压强hPa |
限压力 |
全转速气体流量hPa l/s |
启动时间 |
重量 |
|||
|
进气口 |
排气口 |
氮气 |
氦气He |
氢气 H2 |
氮气 |
氮气N2 |
hPa |
氮气N2 |
min |
kg |
|
|
HiPace 2300 |
250 |
40 |
1,900 |
2,000 |
1,850 |
> 1X108 |
1.8 |
< 1X10–7 |
20 |
4 |
34 – 47 |
涡轮分子泵 Hipace 1800 C 系列:抗腐蚀设计,专为腐蚀性气体应用环境而设计研发
涡轮分子泵 Hipace 1800 U 系列:可以倒装
分子泵应用
1. 分析仪器 2. 半导体 3. 镀膜 4. 工业 5. 研发
上海伯东客户分子泵应用 :Hipace 2300 用于硬质涂层设备抽真空

上海伯东客户分子泵应用二:电子束蒸发镀膜系统配置 HiPace 2300

上海伯东客户分子泵应用三: Hauzer 豪泽 PVD 镀膜设备(内配分子泵 Hipace 2300)用于汽车灯具镀膜

涡轮分子泵抽速 HiPace 2300 对不同气体的抽速:

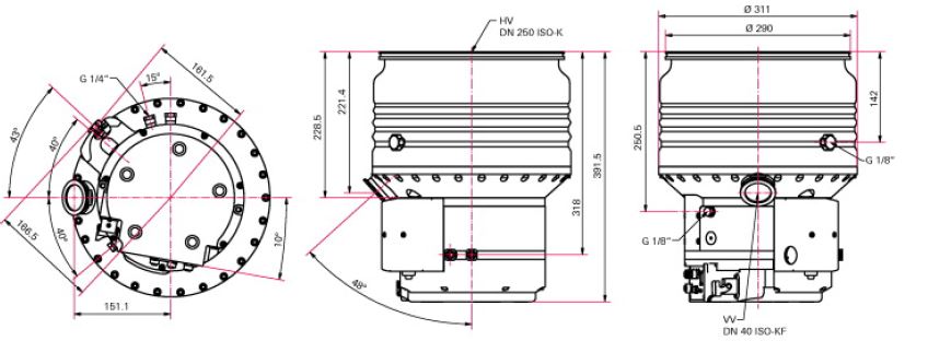
涡轮分子泵 HiPace 2300 尺寸图:

若您需要进*步的了解详细信息或讨论, 请参考以下联络方式:
上海伯东: 罗女士 台湾伯东: 王女士
T: +86-21-5046-3511 ext 108 T: +886-03-567-9508 ext 161
F: +86-21-5046-1490 F: +886-03-567-0049
M: +86 152-0195-1076 M: +886-939-653-958
上海伯东版权所有, 翻拷必究!

