Pfeiffer 涡轮分子泵 HiPace 700
上海伯东德国普发涡轮分子泵 Pfeiffer HiPace 700. 涡轮分子泵 HiPace 700 对氮气抽速可达到 685 l/s, 紧凑设计, 低能耗的同时保证分子泵 高抽吸能力.
涡轮分子泵 HiPace 700 占地面积小, 任意位置安装. 适用于工业环境-保护等 IP 54, 通过半导体 S2, UL / CSA 认证. 通过分子泵控制器监控运算数据, 集成风冷.
涡轮分子泵 HiPace 700 可选分子泵控制器 TC 400/TCP 350, 多种密封方式和配件供选择, 上海伯东可协助客户选型并提供完善的售后维修服务.
涡轮分子泵 HiPace 700 技术参数
|
分子泵型号 |
接口 DN |
抽速 l/s |
压缩比 |
高启动压强mbar |
限压力 |
全转速气体流量hPa l/s |
启动时间 |
重量 |
|||
|
进气口 |
排气口 |
氮气 |
氦气He |
氢气 H2 |
氮气 |
氮气N2 |
hPa |
氮气N2 |
min |
kg |
|
|
HiPace 700 HiPace 700P HiPace 700 Plus |
160 |
25 |
685 |
655 |
555 |
> 1X1011 |
11 |
< 1X10–7 |
6.5 |
2 |
11.5 – 17.4 |
分子泵 HiPace Plus 系列是为电子显微镜和高端质谱行业量身定做的产品
分子泵 HiPace P 系列, 因其能抵抗工业粉尘和微小粒子而广泛应用于工业*域
Pfeiffer 涡轮分子泵 HiPace 700 入门套件
此型号我们提供完整的套装供您选择, 包含 台 HiPace 700 分子泵主机和控制电源等, 选择分子泵套件满足基本的应用, 可以安装在所有情况下并轻松调试涡轮分子泵. 套件内配置如下:
|
|
DCU 400, 显示控制单元,含电源 |
|
|
分子泵电源与控制器连接线 |
|
|
风冷 |
涡轮分子泵应用 HiPace 700
镀膜: 光伏, CD / DVD / PVD, 光学镀膜, 硬质涂层
工业: 医学技术, 工业检漏, 电子束焊接, 隔离真空, 热处理, 灯管制造
研发: 核研究, 等离子研究, 粒子加速器, 冷冻研究, 纳米技术, 生物技术
分析仪器: 质谱, 表面分析, 残余气体分析
半导体: PVD, CVD, Beamline, Inspection, MBE, Loard-Locks
上海伯东客户分子泵应用 : HiPace 700 用于磁控溅射联合脉冲激光沉积系统配置, 系统功能陶瓷氧化膜, 金属膜, Mn 氧化物膜.

上海伯东客户分子泵应用二: HiPace 80,HiPace 300 用于 SPECS 近常压光电子能谱仪设备, 主要用于物化材料测试

上海伯东客户分子泵应用三: HiPace 700 应用于紧凑型加速器质谱系统 CAMS

涡轮分子泵 HiPace 700 对不同气体的抽速:

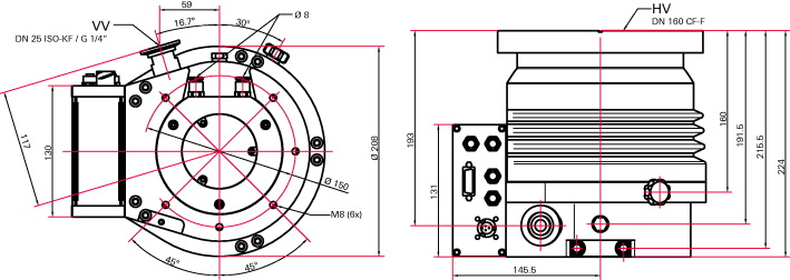
涡轮分子泵 HiPace 700 尺寸图:

若您需要进*步的了解详细信息或讨论, 请参考以下联络方式:
上海伯东: 罗女士 台湾伯东: 王女士
T: +86-21-5046-3511 ext 108 T: +886-03-567-9508 ext 161
F: +86-21-5046-1490 F: +886-03-567-0049
M: +86 152-0195-1076 M: +886-939-653-958
上海伯东版权所有, 翻拷必究!




