Pfeiffer 涡轮分子泵 HiPace 300
上海伯东德国普发涡轮分子泵 Pfeiffer HiPace 300 抽速可达到 260 l/s 高性能涡轮分子泵. 分子泵紧凑设计保证 佳性能. HiPace 300 对所有气体的高抽速和 高压缩比使其广泛应用于真空行业. 涡轮分子泵 HiPace 300 通过保护等 IP54, 半导体 S2, UL / CSA 认证. 通过控制器监控运算数据保证分子泵的 高安全性. 涡轮分子泵 HiPace 300 任意位置安装. 可选风冷或水冷. 多种配件可选.
Pfeiffer 涡轮分子泵 HiPace 300 技术规格
|
抽速 L/S |
全转速时气体流量 |
压缩比 |
转速 |
|||||||||
|
N2 |
H2 |
He |
Ar |
N2 |
H2 |
He |
Ar |
N2 |
H2 |
He |
Ar |
± 2 % |
|
260 |
220 |
255 |
255 |
14 |
> 14 |
20 |
7 |
>1X1011 |
9X105 |
>1X108 |
>1X1011 |
60000 min-1 |
|
进气口 |
分子泵控制器 |
I/O 接口 |
限真空 mbar |
资料下载 |
|
DN 100 ISO-K |
TC 400 |
RS-485, 远程 |
< 1X10-7 |
PM P03 900 中文 |
|
DN 100 CF-F |
TC 400 |
RS-485, 远程 |
< 5X10-10 |
PM P03 901 中文 |
|
DN 100 ISO-F |
TC 400 |
RS-485, 远程 |
< 1X10-7 |
PM P03 902 中文 |
|
DN 100 ISO-K |
TC 110 |
RS-485, 远程 |
< 1X10-7 |
PM P03 990 中文 |
|
DN 100 CF-F |
TC 110 |
RS-485, 远程 |
< 5X10-10 |
PM P03 991 中文 |
|
DN 100 ISO-F |
TC 110 |
RS-485, 远程 |
< 1X10-7 |
PM P03 992 中文 |
|
DN 100 ISO-K |
另配 TCP 350 |
RS-485, 远程 |
< 1X10-7 |
PM P03 993 中文 |
|
DN 100 CF-F |
另配 TCP 350 |
RS-485, 远程 |
< 5X10-10 |
PM P03 994 中文 |
|
DN 100 ISO-F |
另配 TCP 350 |
RS-485, 远程 |
< 1X10-7 |
PM P03 995 中文 |
|
DN 100 ISO-K |
TC 400 |
RS-485,远程, Profibus |
< 1X10-7 |
PM P04 230 中文 |
|
DN 100 CF-F |
TC 400 |
RS-485,远程, Profibus |
< 5X10-10 |
PM P04 231 中文 |
|
DN 100 ISO-F |
TC 400 |
RS-485,远程, Profibus |
< 1X10-7 |
PM P04 232 中文 |
|
DN 100 ISO-K |
TC 110 |
RS-485,远程, Profibus |
< 1X10-7 |
PM P04 236 中文 |
|
DN 100 CF-F |
TC 110 |
RS-485,远程, Profibus |
< 5X10-10 |
PM P04 237 中文 |
|
DN 100 ISO-F |
TC 110 |
RS-485,远程, Profibus |
< 1X10-7 |
PM P04 238 中文 |
|
DN 100 ISO-K |
TC 110 |
RS-485, 远程 |
< 1X10-7 |
PM P04 330 中文 |
|
DN 100 CF-F |
TC 110 |
RS-485, 远程 |
< 5X10-10 |
PM P04 331 中文 |
|
DN 100 ISO-F |
TC 110 |
RS-485, 远程 |
< 1X10-7 |
PM P04 332 中文 |
|
DN 100 ISO-K |
TC 400 |
RS-485, 远程 |
< 1X10-7 |
PM P03 903 中文 |
|
DN 100 CF-F |
TC 400 |
RS-485, 远程 |
< 5X10-10 |
PM P03 904 中文 |
|
DN 100 ISO-F |
TC 400 |
RS-485, 远程 |
< 1X10-7 |
PM P03 905 中文 |
HiPace Plus 系列涡轮分子泵是为扫描电子显微镜 (扫描电镜 SEM) 和高端质谱行业量身定做的产品. HiPace 300 Plus 广泛集成在泰思肯 TESCAN, 蔡司 ZEISS 等分析仪器设备里
HiPace C 系列涡轮分子泵适合腐蚀性气体环境。
此外上海伯东 Pfeiffer 还提供分子泵 HiPace P 系列, 因其能抵抗工业粉尘和微小粒子而广泛应用于工业*域.
Pfeiffer 涡轮分子泵 HiPace 300 入门套件:
此型号我们提供完整的套装供您选择, 包含 台 HiPace 300 分子泵主机和控制电源等, 选择分子泵套件满足基本的应用, 可以安装在所有情况下并轻松调试涡轮分子泵. 套件内配置如下:
|
|
DCU 310, 显示控制单元,含电源 |
|
|
分子泵电源与控制器连接线 |
|
|
风冷 |
涡轮分子泵应用 HiPace 300
镀膜: 光伏, CD/ DVD/ PVD
工业: 灯管制造
研发: 纳米技术、生物技术
分析仪器: 电子显微镜, 检漏, 小型质谱, 表面分析, 残余气体分析
半导体: PVD, CVD, Beamline, Inspection
上海伯东客户分子泵应用 : HiPace 300 某研究所自主搭建小型质谱系统

上海伯东客户分子泵应用二: HiPace 300 应用于MBE 与 STM 联用--分析生长晶体表面结构

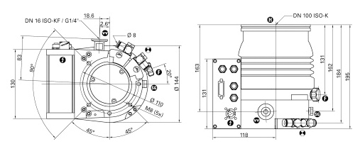
涡轮分子泵 HiPace 300 尺寸图:

若您需要进*步的了解详细信息或讨论, 请参考以下联络方式:
上海伯东: 罗女士 台湾伯东: 王女士
T: +86-21-5046-3511 ext 108 T: +886-03-567-9508 ext 161
F: +86-21-5046-1490 F: +886-03-567-0049
M: +86 152-0195-1076 M: +886-939-653-958
上海伯东版权所有, 翻拷必究!





