Pfeiffer 涡轮分子泵 HiPace 80
上海伯东德国普发涡轮分子泵 Pfeiffer HiPace 80 抽速可达到 71 l/s 高性能涡轮分子泵. HiPace 80 对所有气体的高抽速和 高压缩比使其广泛应用于真空行业. 集成驱动电路, 适用于工业环境, 通过保护等 IP54, 半导体 S2, UL / CSA 认证. 通过控制器监控运算数据保证分子泵的 高安全性. 涡轮分子泵 HiPace 80 可以任意位置安装. 自然风冷, 多种配件可选满足广泛应用.
涡轮分子泵 HiPace 80 技术参数
|
分子泵型号 |
接口 DN |
抽速 l/s |
压缩比 |
高启动压强mbar |
限压力 |
全转速气体流量hPa l/s |
启动时间 |
重量 |
|||
|
进气口 |
排气口 |
氮气 |
氦气He |
氢气 H2 |
氮气 |
氮气N2 |
hPa |
氮气N2 |
min |
kg |
|
|
HiPace 80 |
63 |
16 |
67 |
58 |
48 |
> 1X1011 |
22 |
< 1X10–7 |
1.3 |
1.75 |
2.4 |
Pfeiffer 涡轮分子泵 HiPace 80 入门套件:
此型号我们提供完整的套装供您选择, 包含 台 HiPace 80 分子泵主机和控制电源等, 选择分子泵套件满足基本的应用, 可以安装在所有情况下并轻松调试涡轮分子泵. 套件内配置如下:
|
|
DCU 110, 显示控制单元, 含电源 |
|
|
分子泵电源与控制器连接线 |
|
|
风冷 |
分子泵应用 HiPace 80
分析仪器: 电子显微镜, 检漏, 小型质谱, 表面分析, 残余气体分析
半导体: PVD, inspection, bonding, MBE, load-locks
工业: 医学技术, 工业检漏, 隔离真空, 灯管制造
研发: 核研究, 等离子研究, 粒子加速器, 冷冻研究, 纳米技术, 生物技术
上海伯东客户分子泵应用 :HiPace 80, HiPace 400 用于分子束外延 MBE, 主要针对金属薄膜及材料器件的氧化物外延生长.

上海伯东客户分子泵应用二:HiPace 80, HiPace 300 用于SPECS 近常压光电子能谱仪设备

上海伯东客户分子泵应用三: HiPace 80, HiPace 300 用于自主搭建真空腔体

分子泵抽速 HiPace 80 对不同气体的抽速:

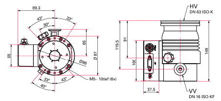
涡轮分子泵 HiPace 80 尺寸图:

若您需要进*步的了解详细信息或讨论, 请参考以下联络方式:
上海伯东: 罗女士 台湾伯东: 王女士
T: +86-21-5046-3511 ext 108 T: +886-03-567-9508 ext 161
F: +86-21-5046-1490 F: +886-03-567-0049
M: +86 152-0195-1076 M: +886-939-653-958
上海伯东版权所有, 翻拷必究!




