Pfeiffer 普发分子泵 HiPace 10
上海伯东德国普发 Pfeiffer 涡轮分子泵 HiPace 10 -- 上 小的分子泵, 抽速可达到 10 l/s. 涡轮分子泵 HiPace 10 集成驱动电路, 适用于工业环境, 通过保护等 IP54, 半导体 S2, UL / CSA 认证. 通过控制器 TC 110 监控运算数据保证分子泵的 高安全性. 涡轮分子泵 HiPace 10 占地面积小, 方便移动操作, 自然风冷, 不需要额外的冷却操作.
涡轮分子泵 HiPace 10 技术参数
|
型号 |
HiPace® 10,TC 110 |
HiPace® 10, TC 110, twisted connection, DN 25 |
HiPace® 10,TC 110 电源 OPS 40, DN 25 |
|
分子泵图片 |
|
|
|
|
复合轴承 |
陶瓷球轴承 |
||
|
Ar 压缩比 |
2.5 X108 |
||
|
H2 压缩比 |
3 X102 |
||
|
He 压缩比 |
3 X103 |
||
|
N2 压缩比 |
3 X106 |
||
|
冷却 |
对流 |
||
|
电子驱动 |
TC 110 |
TC 110, twisted connection |
TC 110,电源 OPS 40 |
|
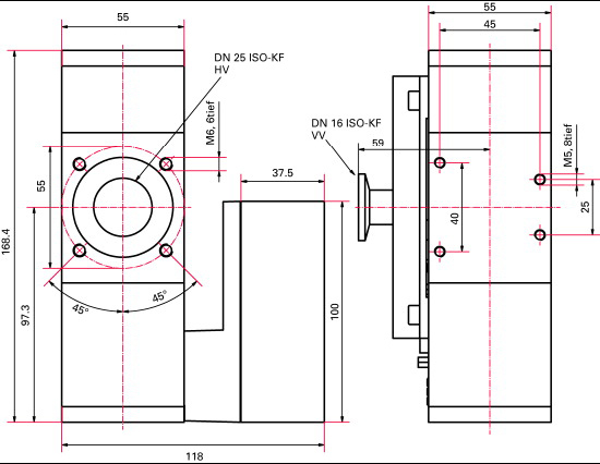
进气法兰 |
DN 25 |
||
|
排气法兰 |
DN 16 ISO-KF, G 1/8" |
||
|
大预抽真空, N2 |
25 hPa |
||
|
全转速时气体流量, Ar |
0.37 hPa l/s |
||
|
全转速时气体流量, H2 |
2.78 hPa l/s |
||
|
全转速时气体流量, He |
0.48 hPa l/s |
||
|
全转速时气体流量, N2 |
0.37 hPa l/s |
||
|
通讯接口 |
RS-485, Remote |
||
|
安装方式 |
任意位置安装 |
||
|
操作电压 |
24 (± 5 %) V DC |
||
|
可吸入颗粒物 |
是 |
||
|
允许 大磁场 |
3 mT |
||
|
保护类型 |
IP 54 |
IP 54 |
IP 30 |
|
抽速 Ar |
11.5 l/s |
||
|
抽速 H2 |
3.7 l/s |
||
|
抽速 He |
6 l/s |
||
|
抽速 N2 |
10 l/s |
||
|
转速 ± 2 % |
90,000 rpm |
||
|
启动时间 |
0.9 min |
||
|
限真空 |
< 5X10-5 hPa |
||
|
重量 |
1.8 kg |
1.8 kg |
2 kg |
|
分子泵资料下载 |
中文 PDF |
中文 PDF |
中文 PDF |
涡轮分子泵应用 HiPace 10: 针对小腔体设计研发, 特别适合实验室研发和分析行业
分析仪器: 电子显微镜, 检漏, 小型质谱, 表面分析, 残余气体分析
工业: 医学技术, 工业检漏, 隔离真空, 灯管制造
研发: 纳米技术, 生物技术
上海伯东客户某大学采购分子泵 HiPace 10 用于小型质谱仪抽真空;
上海某 分析仪器厂商采购 HiPace 10 用于便携式分析仪器
涡轮分子泵 HiPace 10 对不同气体的抽速

涡轮分子泵 HiPace 10 尺寸图

若您需要进*步的了解详细信息或讨论, 请参考以下联络方式:
上海伯东: 罗女士 台湾伯东: 王女士
T: +86-21-5046-3511 ext 108 T: +886-03-567-9508 ext 161
F: +86-21-5046-1490 F: +886-03-567-0049
M: +86 152-0195-1076 M: +886-939-653-958
上海伯东版权所有, 翻拷必究!




