返回主站
|
会员中心
|
|
保存桌面
4
6
西班牙FAGOR专营店
FAGOR铣床,FAGOR查看器,FAGOR显示器,FAGOR编码器
网站首页
公司介绍
供应产品
新闻中心
联系方式
品牌展示
友情链接
经营品牌
企业档案
上海佳武自动化科技有限公司
郭经理
女士
经营范围:
FAGOR铣床,FAGOR查看器,FAGOR显示器,FAGOR编码器
主营行业:
机械网
所在地区:
上海
新闻中心
暂无新闻
产品分类
全部分类
FAGOR 车床
FAGOR 查看器
FAGOR 显示器
FAGOR 铣床数控
FAGOR 角度编码器
FAGOR 线性编码器
联系方式
联系人:郭经理
电话:021-80392064-804
Q Q: 548700770
邮件:2039609103@qq.com
手机:13124847480
站内搜索
供应产品
新闻中心
品牌展示
友情链接
暂无链接
首页
>
供应产品
>
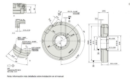
FAGOR 高端*对式角度编码器H2A-D200系列
FAGOR 高端*对式角度编码器H2A-D200系列
点击图片查看原图
产品:
浏览次数:94
FAGOR 高端*对式角度编码器H2A-D200系列
品牌:
FAGOR
单价:
面议
最小起订量:
供货总量:
发货期限:
自买家付款之日起
3
天内发货
有效期至:
长期有效
最后更新:
2024-12-09 22:40
详细信息
询价单
服务热线:021-80392064-804 联系人:郭经理 (女士)13124847480 联系地址:上海市奉贤区金齐路868号5078室
上海佳武自动化科技有限公司
技术和报价服务: 星期一至星期五 8:30-18:00 技术支持:
工厂网
访问量:4457
特别声明:本网站所涉及的品牌LOGO、产品图片及相关文字表述属品牌商家所有