

型号:TRH45FL
TBI-H45FL直线导轨,法兰型的滑块,承载负荷更高,安装孔设在滑块法兰上,拆装更方便简易。高速进给,微进给,轻松自如,适用于大型机械机床。
TBI-H45FL的特点:
、高顺畅性
滑块钢珠循环处採特殊专利设计运行轨迹顺畅,能有效提高滑轨组之顺畅性。
二、高稳定性
滑块採用特殊专利设计可增加材料厚度,提高零配件强度使滑座不易变形,有效提升稳定性。
三、高耐用性
滑轨组採用特殊接触点设计,除了具有高刚性外,并具备自动调心之功能,更可让各方向之受力平均,进而大幅提升滑轨组之使用寿命与精度。
四、高便利性
滑轨组装配组装容易,使用者可以轻易上手,且防尘採可互换式设计,上、下防尘可相互共用,以达到高效节能环保之目的。
直线导轨是 种滚动导引设备配件,它由钢珠在滑块与导轨之间作无限滚动循环,使得负载平台能沿着导轨轻易的以高精度作线性运动,其摩擦系数可降至传统滑动导引的1/50,使之能轻易地达到um 的定位精度。
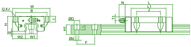
H45FL尺寸图


H45FL实物图



TBI直线导轨儲放時請確實塗上防鏽油,再封入指定的封套中並採水平放置,且避免高低溫差及高度潮濕易變質的環境中。
应用行业:
CNC 机械:CNC加工中心、CNC磨床、CNC线切割机、CNC钻孔机、专用机…等等精密机械:铣床、磨床、放电加工机、刀具磨床、齿轮加工机、钻床、刨床按客户实际需要长度切割,按图纸要求进行加工、如有特殊要求请咨询我司技术人员
我司长期供应TBI线性导轨、滚珠丝杠、滚珠花键、支撑座等系列产品;大量现货库存,型号齐全,货期短,价格实惠,欢迎来电咨询。导轨长度可依客户设计,具体长度需根据客户需求的导轨长度,因原材料价格变动等,如有需要请来电咨询议价。
