
型号:SFK1202
本公司主要销售进口直线导轨,滚珠丝杆,丝杆固定侧,丝杆轴承,联轴器,汽缸、工作滑台等传动部件。
根据客户的需要,我们为您提供整套的装配方案/长度按照要求精细加工、同时我公司还提供各种高性价比的传动部件供应
台湾TBI滚珠丝杆,TBI滚珠丝杆SFK1202,台湾原装正品,现货供应。
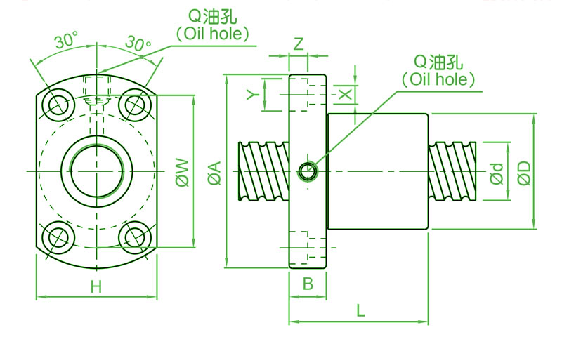
SFK1202滚珠丝杠参数
丝杆外径:12导程:2、珠径:1.2、螺母外径:20、法兰直径:37、法兰的厚度:5、螺母的长度:28、安装孔之间的距离:29,法兰的宽度:24、珠圈数:1×4、动额定负荷:334、静额定负荷:906刚性:22。丝杆长度可提供图纸定制。
滚珠丝杠和滚珠花键的螺母外圆上分别直接装入了专用支撑轴承。通过使螺母、花键母旋转或停止,只用 根轴就能够进行3种(旋转、直线和螺旋)形式的运动。
SFK1202尺寸规格

单位:mm
|
型号名称 |
轴径 d |
导程 I |
珠径 Da |
螺帽尺寸 |
滚珠螺帽额定负荷 |
刚性 kgf/μm
|
||||||||||
|
D |
A |
B |
L |
W |
H |
X |
Y |
Z |
n |
Ca(kgf) |
Coa(kgf) |
|||||
|
SFK01202 |
12 |
2 |
1.2 |
20 |
37 |
5 |
28 |
29 |
24 |
4.5 |
- |
- |
1*4 |
334 |
906 |
22 |
SFK1202实物图:




产品特点:价格低,振动小,刚性耐磨性高。
格阳机电TBI滚珠丝杆库存现货供应、SFK0801.SFK0802.SFK1002.SFK1004.SFK1202.SFK1402.SFK1602.SFK2002.SFK2502微型SFK系列丝杆全现货、欢迎咨询
我公司专业销售批发TBI滚珠丝杆、TBI直线导轨、上银导轨、上银丝杆、国产传动件、各种进口丝杆、导轨均有销售、欢迎广大客户来我公司考察。


