

HTF系列适用于宾馆、体育馆、学校、酒楼、商场、影剧院、礼堂、民用住宅和工矿企业等消防排烟及通风的场合。输送空气和其他不自燃、对钢材无腐蚀性气体,气体内不允许有粘性物质,所含的尘土及硬质颗粒物不大于150mg/m³。作通风换气时进气温度不得超过80°C,作消防用时,风机能在280°C的高温条件下连续运行30分钟以上。
根据需要亦可选用双速电机,平时低速运行作通风换气用,如*旦发生火灾,通过电控系统自动切换成高速运行,在30分钟内迅速排除烟气,使火场内人员可安全撤离。
HTF-I 系列性能参数表(标准型)

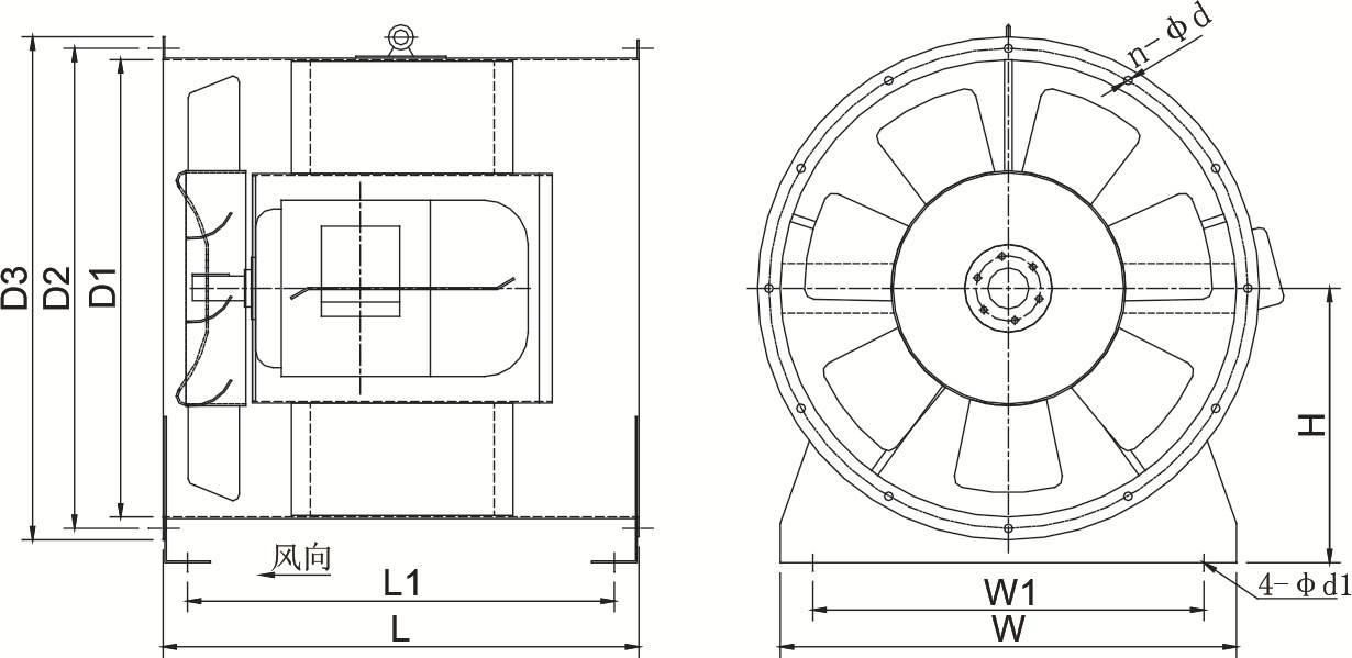
HTF-I 系列结构示意图(标准型)

HTF-I 系列外形尺寸表(标准型)

HTF-I 系列性能参数表(低转速)

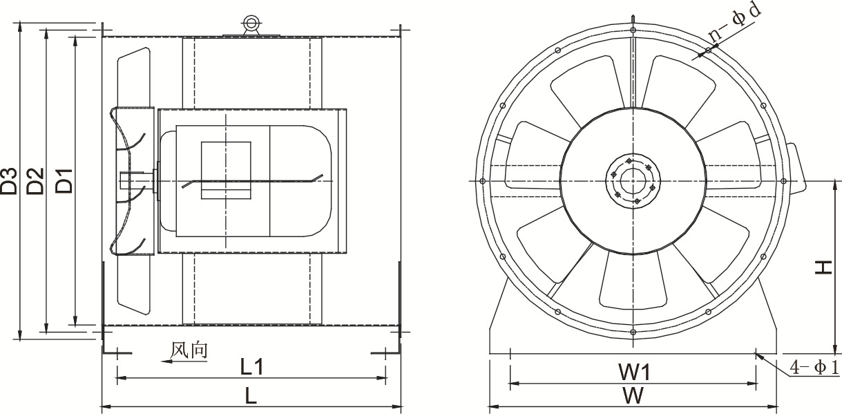
HTF-I 系列结构示意图(低转速)

HTF-I 系列外形尺寸表(低转速)

HTF-I 系列性能参数表(斜流式)

HTF-I 系列结构示意图(斜流式)

HTF-I 系列外形尺寸表(斜流式)

HTF-II 系列性能参数表(双功率)

HTF-II 系列结构示意图(双功率)

HTF-II 系列外形尺寸表(双功率)

*、风机订货须知:
1、订货时必须说明风机类别,例如:离心排烟风机,离心排风风机,离心加压风机,轴流排烟风机,轴流普通风机等功能。
2、订货时必须提供风机设计参数,风量、风压、功率等重要参数。
3、订货时应提供离心风机的进出风口方向,表示法如图:A、B、C
4、风机安装空间有限,尺寸有特殊要求的订货时必须说明。
5、如机房墙及楼宇通道已封堵,需我司现场拼装,请在订货时注明。
6、风机订货时要注明风机电源要求,380V 50HZ或220V 50HZ。
二、机组使用说明:
1、坐地式风机基础,基础尺寸建议每边比机组外型尺寸大于100mm。
2、电机应接在有电机缺象保护器和过载保护器的电源上,5.5KW以下的电机可直接启动;7.5KW以上的电机应降压启动。机壳应接地。
3、风机的电源为三相380V 50HZ。*检查电源是否符合要求,有无缺相,三相是否平衡后方可与电机相接。接通后*启动电机,检查风机转向是否正确,如转向相反,应停机将电源相序改变,然后将电机电源正式接好。
4、风机进出风口与风道间用软接头连接。
5、新机运行*个月后,应检查皮带松紧程度及螺栓是否松动现象,如有发现应及时调整紧固,以免出现问题。
6、风机常年运行,带座轴承润滑脂应半年更换*次。常温可用2#锂基脂或同性能润滑脂,高温场合需用高温润滑脂。如果过渡季节停机,润滑脂必须保证每年更换*次。



