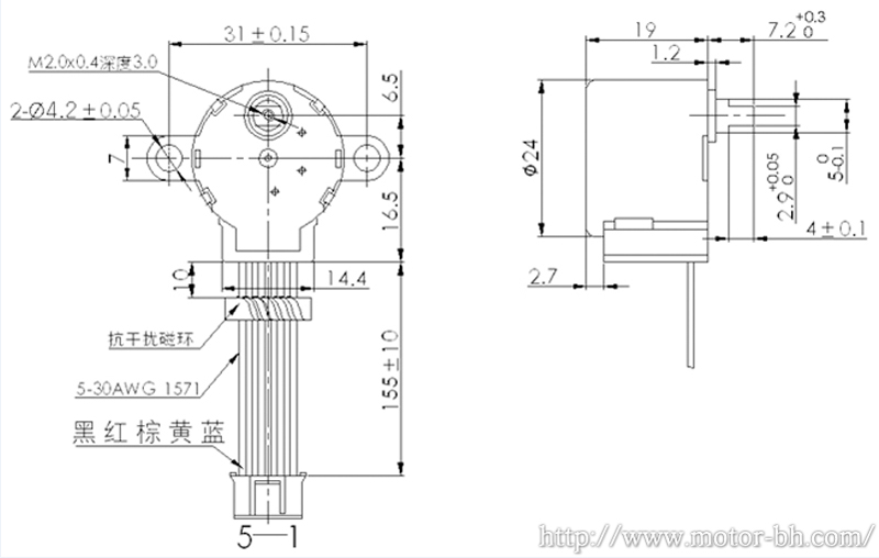
产品简介 / INTRODUCTION
|
型号Modle |
驱动电压Diver Voltage (DC V) |
步距角(1-2相) Step Angle (1-2phase) |
线圈电阻Coil Resistance (Ω) |
频率Operation Frequency (PPS) |
牵入转矩Pull-in Torque (mN.m) |
自定义转矩Detent Torque (mN.m) |
空载牵入频率Max.Freeload Pull-in Frequency(PPS) |
空载牵出频率Max.Freeload Pull-out Frequency(PPS) |
温升Temperature Rise(K) |
噪音Noise dB(A) |
缘等 Class Of Insulation |
|
BH24BYJ48-57 |
5 |
5.625º/64 |
21 |
100 |
≥30 |
≥50 |
≥500 |
≥1000 |
≤60 |
≤40 |
B |
|
12 |
100 |
100 |
≥30 |
≥50 |
≥500 |
≥1000 |
≤60 |
≤40 |
|||
|
12 |
200 |
100 |
≥30 |
≥50 |
≥500 |
≥1000 |
≤60 |
≤40 |
|||
|
5 |
5.625º/36(32/25/16) |
21 |
100 |
≥30 |
≥50 |
≥500 |
≥1000 |
≤60 |
≤40 |
||
|
12 |
100 |
100 |
≥30 |
≥30 |
≥500 |
≥1000 |
≤60 |
≤40 |
|||
|
12 |
200 |
100 |
≥30 |
≥20 |
≥500 |
≥1000 |
≤60 |
≤40 |
|||
|
BH24BYJ28-57 |
5 |
11.25º/64 |
21 |
100 |
≥70 |
≥50 |
≥400 |
≥600 |
≤60 |
≤40 |
|
|
12 |
100 |
100 |
≥80 |
≥50 |
≥400 |
≥600 |
≤60 |
≤40 |


