参考特性 Reference Characteristics
| 型号 Modle |
驱动电压 Diver Voltage (DC V) |
步距角 (1-2相) Step Angle (1-2phase) |
线圈电阻 Coil Resistance (Ω) |
频率 Operation Frequency (PPS) |
牵入转矩 Pull-in Torque (mN.m) |
自定位转矩 Detent Torque (mN.m) |
空载牵入频率 Max.Freeload Pull-in Frequency(PPS) |
空载牵出频率 Max.Freeload Pull-out Frequency(PPS) |
温升 Temperature Rise(K) |
噪音 Noise dB(A) |
缘等 Class Of Insulation |
| BH24BYJ48 | 5 | 5.625º/64 | 21 | 100 | ≥30 | ≥50 | ≥500 | ≥1000 | ≤60 | ≤40 | B |
| 12 | 100 | 100 | ≥30 | ≥50 | ≥500 | ≥1000 | ≤60 | ≤40 | |||
| 12 | 200 | 100 | ≥30 | ≥50 | ≥500 | ≥1000 | ≤60 | ≤40 | |||
| BH24BYJ28 | 5 | 11.25º/64 | 21 | 100 | ≥70 | ≥50 | ≥400 | ≥600 | ≤60 | ≤40 | |
| 12 | 40 | 100 | ≥80 | ≥50 | ≥400 | ≥600 | ≤60 | ≤40 |
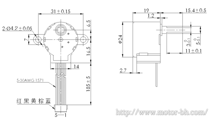
外观图OUTLINE


